返回>>
KDYW-3.5M-01CA金屬探傷換能器
名稱:金屬探傷換能器
型號:KDYW-3.5M-01CA
最小阻抗:2.5Ω±20%
工作溫度:-20~+60℃
中心頻率:3.5MHz±5%
工作電壓:峰值電壓<60 Vpp
本產品適用于:測距、鋼軌探傷等

全國熱線
0591-28082552
產品詳情
3.5MHz普通型換能器(分體式:KDYW-3.5M-01CA)
項目 | 技術指標 | 實物圖片 | |
名稱 | 3.5MHz普通型換能器 | | |
型號 | KDYW-3.5M-01CA | ||
頻率 | 中心頻率:3.5MHz±5%,帶寬(-3dB):±20% | ||
最小阻抗 | 2.5Ω±20% | ||
電容量 | 5300pF±20% @1KHz | ||
靈敏度 | 空載驅動電壓:24V,15個脈沖,距離0.3m,自發自收,接收幅度400mV | ||
工作電壓 | 峰值電壓<60Vpp | ||
工作溫度 | -20~+60℃ | ||
壓力 | ≤10公斤或者1MPa | ||
外殼材質 | PI | ||
用途 | 測距、鋼軌探傷等 | ||
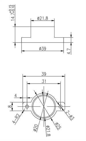
安裝尺寸 | 詳見產品結構圖 | ||
防護等級 | IP68 | ||
重量 | g±5%(線長:0.15m) | ||
接線說明 | 客供頭; | ||
導納曲線圖 | 產品結構圖 | ||
|
|
上一條
暫無~
下一條
暫無~
產品中心
聯系我們
全國咨詢熱線:0591-28082552
QQ:2187169532
手機:18050180580
郵箱:2187169532@qq.com
地址:福建省福州市晉安區福興經濟開發區紅光路11號E座