返回>>
200KHz超聲波換能器DYA-200-01DI
名稱:200KHz超聲波換能器
型號:DYA-200-01DI
量程:0.10~1.5m
工作溫度:-40~+80℃
頻率:200KHz±5%
工作電壓:峰值電壓<1500Vpp
本產品適用于:超聲波液位計,監控,防撞,安防

全國熱線
0591-28082552
產品詳情
一、換能器的主要技術指標
項目 | 技術指標 | 實物圖片 |
名稱 | 200KHz超聲波換能器 | |
型號 | DYA-200-01DI | |
頻率 | 200KHz±5% | |
建議量程 | 0.10~1.5m | |
最小阻抗 | 750Ω±20% | |
電容量 | 1000pF±20% @1KHz | |
靈敏度 | 發射電壓200Vpp,距離30cm,自發自收 接收信號8 mV | |
工作電壓 | 峰值電壓<750Vpp | |
工作溫度 | -40~+80℃ | |
壓力 | ≤3公斤或者0.3MPa | |
角度 | (波速寬度)半功率角@-3dB:10.9°±10% 銳度角:25.8°±10% | |
外殼材質 | PVDF | |
用途 | 風速風向,監控,防撞,安防 | |
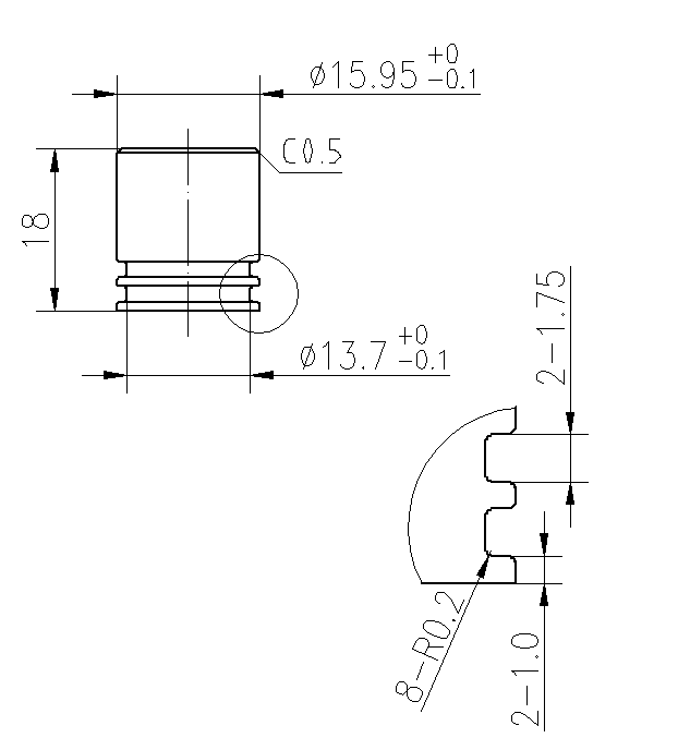
安裝尺寸 | 詳見產品結構圖 | |
防護等級 | IP68 | |
重量 | 10g±5%(線長:22cm) | |
接線說明 | 一體式接口:紅:換能器+,白:換能器-,黑:屏蔽線,(默認不帶溫度傳感器) |
二、換能器的導納曲線圖
三、換能器產品結構圖
上一條
144KHz超聲波換能器DYA-144-03D
下一條
125KHz超聲波換能器(DYA-125-02A)
產品中心
聯系我們
全國咨詢熱線:0591-28082552
QQ:2187169532
手機:18050180580
郵箱:2187169532@qq.com
地址:福建省福州市晉安區福興經濟開發區紅光路11號E座