返回>>
110KHz防腐型換能器DYA-112-02A
名稱:110KHz防腐型換能器A型
型號:DYA-112-02A
量程:0.15~2m
工作溫度:-40~+80℃
頻率:105KHz±5%
工作電壓:峰值電壓<850 Vpp
本產品適用于:超聲波液位計,超聲波傳感器

全國熱線
0591-28082552
產品詳情
一、換能器的主要技術指標
項目 | 技術指標 | 實物圖片 |
名稱 | 110KHz防腐型換能器A型 |
|
型號 | DYA-112-02A | |
頻率 | 105KHz±5% | |
建議量程 | 0.15~2m | |
最小阻抗 | 200Ω±20% | |
電容量 | 1600pF±20% @1KHz | |
靈敏度 | 空驅動電壓:300Vpp,距離0.3m, 回波幅度90mV | |
工作電壓 | 峰值電壓<850 Vpp | |
工作溫度 | -40~+80℃ | |
壓力 | ≤3公斤或者0.3MPa | |
角度 | (波束寬度)半功率角@-3dB:6.9°±10%, 銳度角:16.2°±10% | |
外殼材質 | PVDF | |
用途 | 超聲波液位計,超聲波傳感器 | |
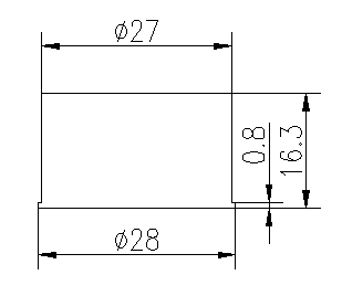
安裝尺寸 | 詳見產品結構圖 | |
防護等級 | IP68 | |
重量 | 21g±5% | |
接線說明 | 一體式接口:紅:換能器+,白:換能器-,黑:屏蔽線,(默認不帶溫度傳感器) |
二、換能器的導納曲線圖
三、換能器產品結構圖
上一條
暫無~
下一條
100KHz普通型換能器DYA-100-03G
產品中心
聯系我們
全國咨詢熱線:0591-28082552
QQ:2187169532
手機:18050180580
郵箱:2187169532@qq.com
地址:福建省福州市晉安區福興經濟開發區紅光路11號E座