返回>>
ADCP換能器DYW-1M-01T
名稱:ADCP換能器
型號:DYW-1M-01T
量程:0.05 ~ 3m
工作溫度:-40~+80℃
頻率:1MHz±5%
工作電壓:峰值電壓<300Vpp
本產品適用于:ADCP

全國熱線
0591-28082552
產品詳情
一、換能器的主要技術指標
項目 | 技術指標 | 實物圖片 |
名稱 | ADCP換能器 | |
型號 | DYW-1M-01T | |
頻率 | 1MHz±5% | |
建議量程 | 0.05 ~ 3m | |
最小阻抗 | 15Ω±20% | |
電容量 | 4000pF±20% @1KHz | |
靈敏度 | 發射電壓24V,距離0.3m,回波幅度2.5V | |
工作電壓 | 峰值電壓<300Vpp | |
工作溫度 | -40~+80℃ | |
壓力 | ≤10公斤或者1MPa | |
角度 | (波束寬度)半功率角@-3dB:2.4°±10%, 銳度角:5.8°±10% | |
外殼材質 | 復合材料 | |
用途 | ADCP | |
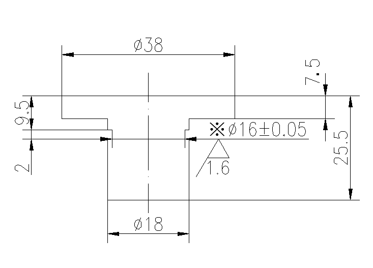
安裝尺寸 | 詳見產品結構圖 | |
防護等級 | IP68 | |
重量 | 95g±5%(線長:2m) | |
接線說明 | 紅:換能器+,白:換能器-,黑:屏蔽線;(默認不帶溫度傳感器) |
二、換能器的導納曲線圖
三、換能器產品結構圖
上一條
2MHz水聲換能器DYW-LS-03A
下一條
650KHz換能器(DYW-650-03B)
產品中心
聯系我們
全國咨詢熱線:0591-28082552
QQ:2187169532
手機:18050180580
郵箱:2187169532@qq.com
地址:福建省福州市晉安區福興經濟開發區紅光路11號E座